Home › Unlabelled ›
1986 Ford Bronco Ii Wiring Diagram - 1986 86 Ford Truck Bronco Dash Wiring Harness W/AC ... : I started with a stock 1985 ford bronco ii xlt package.
1986 Ford Bronco Ii Wiring Diagram - 1986 86 Ford Truck Bronco Dash Wiring Harness W/AC ... : I started with a stock 1985 ford bronco ii xlt package.. Click on the 'submit' button to find out how you can get your submission posted and acknowledged for it. I started with a stock 1985 ford bronco ii xlt package. Ford wire information, wire info, wiring information, wiring info, color codes ii ford bronco 1983 2dr suv wiring information. By michael | december 14, 2018. Every ford stereo wiring diagram contains information from other ford owners.
Asked by cliffyy24 may 03, 2015 at 09:35 pm about the 1986 ford bronco xlt 4wd. As your early ford bronco gets older, its wiring and electrical systems grow less powerful and more fragile with each passing day. 1968 2013 full size vans. Below is a complete library of technical diagrams for ford trucks and broncos. We currently do not have the 1978 ford mustang ii stereo wire info but hopefully someone from our knowledgeable modified life community would be able to assist you.
1994 Ford Ranger Vacuum Hose Diagram - Free Wiring Diagram from www.broncoiicorral.com As your early ford bronco gets older, its wiring and electrical systems grow less powerful and more fragile with each passing day. Ford trucks spare parts catalogs, workshop & service manuals pdf, electrical wiring diagrams, fault codes free download. Most of the wiring diagrams posted on this page are scans of original ford diagrams, not aftermarket reproductions. 1984 2.8l engine wiring diagram (.jpg) or (.pdf). We currently do not have the 1978 ford mustang ii stereo wire info but hopefully someone from our knowledgeable modified life community would be able to assist you. View and download ford 1996 bronco manual online. Terminal and harness assignments for individual connectors will vary depending on vehicle equipment level, model, and market. Taped off the lines i wanted, and waited.
1984 2.8l engine wiring diagram (.jpg) or (.pdf).
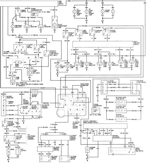
Automobile ford 1996 aerostar manual. Automotive repair manual ford bronco.rar. Click on the 'submit' button to find out how you can get your submission posted and acknowledged for it. A 1986 ford bronco ii would use r12 unless it has been converted. Asked by cliffyy24 may 03, 2015 at 09:35 pm about the 1986 ford bronco xlt 4wd. 1986 f150 351w wiring diagram. 1985 ford truck and van repair source: We're always looking for good content to share with other ford ranger enthusiasts. 1986 ford bronco wiring diagrams picture supermotors net. As your early ford bronco gets older, its wiring and electrical systems grow less powerful and more fragile with each passing day. In 1986 fuel injection was introduced, and the 2.8 was dropped for the 2.9l e.f.i which was a huge improvement. Most of the wiring diagrams posted on this page are scans of original ford diagrams, not aftermarket reproductions. Click image to view full size.
The baby bronco shared a similar design to the ford ranger truck of the same era. Automobile ford 1996 aerostar manual. Ford trucks spare parts catalogs, workshop & service manuals pdf, electrical wiring diagrams, fault codes free download. In 1986 fuel injection was introduced, and the 2.8 was dropped for the 2.9l e.f.i which was a huge improvement. I started with a stock 1985 ford bronco ii xlt package.
1986 Ford Ranger 2.9 manual. Just bought as a no start ... from ww2.justanswer.com Taped off the lines i wanted, and waited. Automobile ford 1996 aerostar manual. Click image to view full size. I started with a stock 1985 ford bronco ii xlt package. I am trying to get the firing order for a 1986 ford bronco ii for plug wires. Asked by cliffyy24 may 03, 2015 at 09:35 pm about the 1986 ford bronco xlt 4wd. 1990 ford bronco ii solenoid diagram my husband change out the starter and solenoid on my sons bronco ii and this is the third time it burnt the wire from the starter to the ford wiring manuals wiring diagram flathead electrical wiring diagramswiring for 1936 ford car. We may have what you need right here.
Related manuals for ford 1996 bronco.
Below is a complete library of technical diagrams for ford trucks and broncos. The underside of the cover also contains a fuse pulling tool in case you need to replace. The baby bronco shared a similar design to the ford ranger truck of the same era. 1986 ford bronco wiring diagrams picture supermotors net. Taped off the lines i wanted, and waited. As your early ford bronco gets older, its wiring and electrical systems grow less powerful and more fragile with each passing day. We currently do not have the 1978 ford mustang ii stereo wire info but hopefully someone from our knowledgeable modified life community would be able to assist you. By michael | december 14, 2018. Shop ford bronco electrical and wiring at cj pony parts. Checking windshield wiper switch continuity. Asked by cliffyy24 may 03, 2015 at 09:35 pm about the 1986 ford bronco xlt 4wd. 1985 ford truck and van repair source: I started with a stock 1985 ford bronco ii xlt package.
Your bronco ii spec'd 140 h.p. As your early ford bronco gets older, its wiring and electrical systems grow less powerful and more fragile with each passing day. 1976 ford bronco tech diagrams pictures videos and sounds. 1986 f150 351w wiring diagram. A 1986 ford bronco ii would use r12 unless it has been converted.
1986 Ford Ranger Wiring Diagram from therangerstation.com The baby bronco shared a similar design to the ford ranger truck of the same era. Taped off the lines i wanted, and waited. Ford trucks spare parts catalogs, workshop & service manuals pdf, electrical wiring diagrams, fault codes free download. The diagram on the cover tells you where to locate the fuse on the panel. 1986 f150 351w wiring diagram. Checking windshield wiper switch continuity. Most of the wiring diagrams posted on this page are scans of original ford diagrams, not aftermarket reproductions. 1984 2.8l engine wiring diagram (.jpg) or (.pdf).
I started with a stock 1985 ford bronco ii xlt package.
Asked by cliffyy24 may 03, 2015 at 09:35 pm about the 1986 ford bronco xlt 4wd. In 1986 fuel injection was introduced, and the 2.8 was dropped for the 2.9l e.f.i which was a huge improvement. By michael | december 14, 2018. Most of the wiring diagrams posted on this page are scans of original ford diagrams, not aftermarket reproductions. I am trying to get the firing order for a 1986 ford bronco ii for plug wires. View and download ford 1996 bronco manual online. We're always looking for good content to share with other ford ranger enthusiasts. Ford wire information, wire info, wiring information, wiring info, color codes ii ford bronco 1983 2dr suv wiring information. Do you need a wiring diagram for your ford bronco ii. Below is a complete library of technical diagrams for ford trucks and broncos. 1985 ford truck and van repair source: 1968 2013 full size vans. Click image to view full size.