1988 Thunderbird Turbo Coupe Wiring Diagram / Nato Turbocoupe Faq / So it was a wast of.. 1988 ford thunderbird turbo coupe on bring a trailer, the home of the best vintage and classic cars online. In sharp contrast to the thunderbirds of a decade before, chrome trim was used only sparingly; The turbo coupe received special front bodywork and trim following a 1987 facelift. 1fabp64txjh231234 check out this gorgeous 1988 ford thunderbird turbo coupe for sale! Looking like it is brand new off the lot in 1988 this ford thunderbird turbo coupe is in immaculate condition!

We analyze millions of used cars daily. Have you checked all fuses under the hood? Someone in michigan has preserved a thunderbird turbo coupe to the extent that it looks brand new, even after 50,000 miles and 29 years. Looking like it is brand new off the lot in 1988 this ford thunderbird turbo coupe is in immaculate condition! A quick pull at 16 psi around a slight bend, uphill, to 115 mph in my 1988 thunderbird turbo coupe.

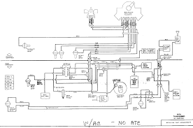
Thunderbird Ranch Diagrams Page
Thunderbird Ranch Diagrams Page from www.tbirdranch.com
Search over 700 listings to find the best local deals. Thunderbird turbo coupe 1988 at 115mph. You may be able to swap the fuel pump relay with amother relay in the fuse box.are you getting power into and out of the reset switch? 1988 ford thunderbird turbo coupe. I need stereo wiring diagram/color codes for 1988 thunderbird 5.0. 1fabp64txjh231234 check out this gorgeous 1988 ford thunderbird turbo coupe for sale! Lots of wiring info not enough info on the turbo coupe thunderbirds. We analyze millions of used cars daily.

The power out of that small engine was awesome, imho.

I need a radio wire diagram for a 1987 ford thunderbird sports coupe. The earlier thunderbird turbo coupe, with turbocharged pinto engine, was replaced by the super coupe, boasting a supercharged 3.8 liter v6. Have you checked all fuses under the hood? The '87 and '88 were the same body style, so parts are interchangable. 88 thunderbird turbo coupe fuel pump. Turbo coupe amenities also included articulated sport seats with. Thunderbird turbo coupe 1988 at 115mph. But still, the thunderbird turbo coupe only got 190 horsepower. Lots of wiring info not enough info on the turbo coupe thunderbirds. 1988 ford thunderbird lx 5.0l maximum speed. 1988 ford thunderbird turbo coupe. We analyze millions of used cars daily. The power out of that small engine was awesome, imho.

Thunderbird turbo coupes were distinguished by their own front bodywork, which did away with a traditional front grille, featuring functional hood scoops directed to the intercooler. From there it goes to the fuel. There has only 3,445 original miles clocked on. 1988 ford thunderbird turbo coupe on bring a trailer, the home of the best vintage and classic cars online. Have you checked the fuel pump relay?

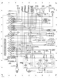
88 Mustang Wiring Harnes Wiring Diagram Networks
88 Mustang Wiring Harnes Wiring Diagram Networks from lh5.googleusercontent.com
Have you checked the fuel pump relay? Thunderbird turbo coupe 1988 at 115mph. If you got the automatic, that was reduced to 150 horsepower. That why i bought it. The '87 and '88 were the same body style, so parts are interchangable. Looking like it is brand new off the lot in 1988 this ford thunderbird turbo coupe is in immaculate condition! 1fabp64txjh231234 check out this gorgeous 1988 ford thunderbird turbo coupe for sale! Forum member sevensecondsuv submitted various wiring diagrams and pinout locations to help you guys doing turbo motor swaps.

You may be able to swap the fuel pump relay with amother relay in the fuse box.are you getting power into and out of the reset switch?

It felt like a car that was built to meet a safe middle ground on a spec sheet so it wouldn't threaten the that's too bad, because it could have been a great luxury sports coupe. Search over 700 listings to find the best local deals. 1988 ford thunderbird turbo coupe on bring a trailer, the home of the best vintage and classic cars online. The earlier thunderbird turbo coupe, with turbocharged pinto engine, was replaced by the super coupe, boasting a supercharged 3.8 liter v6. I need stereo wiring diagram/color codes for 1988 thunderbird 5.0. I have the owner's guide for a 1988 thunderbird turbo coupe. Have you checked the fuel pump relay? Looking like it is brand new off the lot in 1988 this ford thunderbird turbo coupe is in immaculate condition! Someone in michigan has preserved a thunderbird turbo coupe to the extent that it looks brand new, even after 50,000 miles and 29 years. The wiring diagrams in the book appear to be generic, and in the case of my vehicle, are partially incorrect. Pg 190 of ur manual. That why i bought it. The power out of that small engine was awesome, imho.

Thunderbird turbo coupes were distinguished by their own front bodywork, which did away with a traditional front grille, featuring functional hood scoops directed to the intercooler. The super coupe came with an eaton blower making 12 pounds of boost, feeding an essex pushrod v6. The 1988 ford thunderbird fuel sending unit wiring diagram can be obtained from most ford dealerships. This example is finished in black with red accents and features hood ducts, fog lights, cornering lamps, a power sunroof and antenna, and turbo coupe badging. 1988 ford thunderbird turbo coupe.

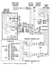
2 3 Turbo Engine Swap
2 3 Turbo Engine Swap from www.billsgarage.info
I've owned 3 88 tbird turbo coupes and i love these cars. 88 thunderbird turbo coupe fuel pump. Search over 700 listings to find the best local deals. I started this page as an open forum for other folks to talk about the 88 turbo coupe and share pics, thoughts. 1988 ford thunderbird turbo coupe vin: Every ford stereo wiring diagram contains information from other ford owners. The turbo coupe received special front bodywork and trim following a 1987 facelift. Pg 190 of ur manual.

The earlier thunderbird turbo coupe, with turbocharged pinto engine, was replaced by the super coupe, boasting a supercharged 3.8 liter v6.

It felt like a car that was built to meet a safe middle ground on a spec sheet so it wouldn't threaten the that's too bad, because it could have been a great luxury sports coupe. From there it goes to the fuel. But still, the thunderbird turbo coupe only got 190 horsepower. 1988 ford thunderbird lx 5.0l maximum speed. Looking like it is brand new off the lot in 1988 this ford thunderbird turbo coupe is in immaculate condition! Ford thunderbird 1988, engine gasoline 2.3 liter., 190 h.p., rear wheel drive, manual — owner review. Installing new cd player in. That why i bought it. 1988 ford thunderbird turbo coupe vin: I have the owner's guide for a 1988 thunderbird turbo coupe. There has only 3,445 original miles clocked on. 1988 ford thunderbird turbo coupe on bring a trailer, the home of the best vintage and classic cars online. You may be able to swap the fuel pump relay with amother relay in the fuse box.are you getting power into and out of the reset switch?

By