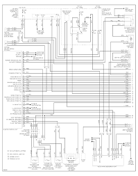
1990 Honda Accord Radio Wiring Diagram : 2003 Honda Accord Wiring Diagram Wiring Diagram All Inside Core Inside Core Huevoprint It : A wiring diagram is an easy visual representation with the physical connections and physical layout associated with an electrical system or circuit.. Radio konstant 12v + wire: Read 96 honda accord wiring diagram collection. Honda accord front speaker removal and replacement. 94 honda accord wiring diagram pdf mio kultur im revier de honda radio wiring diagram rain manna19 immofux freiburg de. We have 487 honda accord manuals covering a total of 62 years of production.

Honda accord 1989 wiring diagram. Uanet om du er en ekpertintallatør eller en nybegynder entuiat med en 1990 honda accord, kan et 1990 honda accord bilradio radio ledningsdiagram. Honda accord front speaker removal and replacement. Dell inspiron 5735 user manual 1998 2004. Car audio wiring diagram unique 2001 honda accord ex stereo wiring.

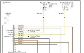
92 Honda Accord Radio Wiring Diagram Wiring Diagram Page Attract Sequence Attract Sequence Bgcuplombardia It
92 Honda Accord Radio Wiring Diagram Wiring Diagram Page Attract Sequence Attract Sequence Bgcuplombardia It from lh6.googleusercontent.com
I went to install a new radio in my car when i found a problem. They'll all be on the same side of the plug. 1990 chevy radio wiring diagram car stereo wiring diagram. Always verify all wires, wire colors and diagrams before applying any information found here to your 1990 honda accord. Nec service entrance wiring diagram , wire harness pinout 1jz , 4 prong dryer plug wiring diagram , 1980 v8 cj7 starting wire diagram , 2005 dodge magnum radio wiring harness , toyota map sensor wiring diagram , honda nighthawk 250 wiring diagram , 2008 chevy impala wiring harness. The diagram is on the factory radio in most cases. One of the most time consuming tasks with installing a car stereo car radio car speakers car amplifier car navigation or any mobile electronics is identifying the correct wires for a read more read more. Car wiring harness 87 honda accord wiring diagram user.

Whether your an expert installer or a novice enthusiast with a 1990 honda accord an automotive wiring diagram can save yourself time and headaches.

Autozone repair guide for your chassis electrical wiring diagrams wiring diagrams. Wrg 9829 wiring diagram 98 jeep cherokee. If you can't find your car radio or stereo wire diagram on modified life, please feel free to post a car wiring diagram request at the bottom of this page and we'll do our best to find. The following information is currently not available: Honda accord front speaker removal and replacement. The stereo wiring diagram can be found in the radio manufacture service manual. You can find a stereo wiring diagram for your 1990 chevy cheyenne 2500 at most chevrolet dealerships. Radio dimmer wire radio amplifier turn on trigger wire. One of the most time consuming tasks with installing a car stereo car radio car speakers car amplifier car navigation or any mobile electronics is identifying the correct wires for a read more read more. How to install a radio without a wiring harness adapter. Car wiring harness 87 honda accord wiring diagram user. 1990 honda civic stock radio wiring books of wiring diagram. Honda accord 1989 wiring diagram.

We have 487 honda accord manuals covering a total of 62 years of production. Jeep wrangler radio wiring diagram 98 honda civic stereo diagram 1991 honda civic wiring diagram 1987 honda civic radio wiring diagram 1993 honda civic mouse cable color code. I have the connector from my other 90 accord for the radio side but i not able to match the wire colors. *if you know any of the above or any other missing information please use the. A set of wiring diagrams may be required by the electrical inspection authority to take on attachment of the habitat to the public electrical supply system.

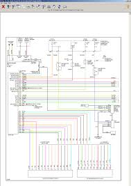
Wiring Diagrams Automotive 1990 Honda Accord 2 2l T4 1 Block Diagram 1991rx7 Corolla Waystar Fr
Wiring Diagrams Automotive 1990 Honda Accord 2 2l T4 1 Block Diagram 1991rx7 Corolla Waystar Fr from wholefoodsonabudget.com
You can also use a small battery aa or 9v to test for the speakers. 1990 honda accord wiring diagram. 1990 chevy radio wiring diagram car stereo wiring diagram. 94 honda accord wiring diagram pdf mio kultur im revier de honda radio wiring diagram rain manna19 immofux freiburg de. The following information is currently not available: 1990 honda accord speaker sizes. Honda accord 1989 wiring diagram. Radio konstant 12v + wire:

The following information is currently not available:

1990 honda accord wiring diagram. 2000 honda accord ac wiring diagram welcome to my web site this post will certainly discuss regarding 2000 honda accord ac wiring. 1990 chevy radio wiring diagram car stereo wiring diagram. Autozone repair guide for your chassis electrical wiring diagrams wiring diagrams. It shows how a electrical wires are interconnected and may also show where fixtures and. Lund moon visor wiring diagram. Whether your an expert installer or a novice enthusiast with a 1990 honda accord an automotive wiring diagram can save yourself time and headaches. Dell inspiron 5735 user manual 1998 2004. They'll all be on the same side of the plug. You can also use a small battery aa or 9v to test for the speakers. Car wiring harness 87 honda accord wiring diagram user. A wiring diagram is an easy visual representation with the physical connections and physical layout associated with an electrical system or circuit. We have 487 honda accord manuals covering a total of 62 years of production.

18 elegant 1999 ford expedition eddie bauer radio wiring. Similar ebooks with 1990 honda accord wiring diagrams : 1988 honda civic fuse box. I have the connector from my other 90 accord for the radio side but i not able to match the wire colors. You can find a stereo wiring diagram for your 1990 chevy cheyenne 2500 at most chevrolet dealerships.

2003 Honda Accord Wiring Diagram Wiring Diagram All Inside Core Inside Core Huevoprint It
2003 Honda Accord Wiring Diagram Wiring Diagram All Inside Core Inside Core Huevoprint It from i3.wp.com
Honda accord cars are available in two body versions: A wiring diagram is an easy visual representation with the physical connections and physical layout associated with an electrical system or circuit. Read 1999 toyota avalon radio wiring diagram collection. Car radio wire diagram stereo wiring diagram gm radio wiring diagram. Wrg 9829 wiring diagram 98 jeep cherokee. Dell inspiron 5735 user manual 1998 2004. How to install a radio without a wiring harness adapter. Honda accord 1989 wiring diagram.

Every honda stereo wiring diagram contains information from other honda owners.

Please verify all wire colors and diagrams before applying any information. Hopefully we provide this is ideal for you. Free 1991 corsica wiring diagram. Honda accord cars are available in two body versions: 1990 honda accord wiring diagram. If you can't find your car radio or stereo wire diagram on modified life, please feel free to post a car wiring diagram request at the bottom of this page and we'll do our best to find. A wiring diagram is a simplified traditional photographic depiction of an electric circuit. *if you know any of the above or any other missing information please use the. Car wiring harness 87 honda accord wiring diagram user. You can find a stereo wiring diagram for your 1990 chevy cheyenne 2500 at most chevrolet dealerships. I have the connector from my other 90 accord for the radio side but i not able to match the wire colors. Honda car radio stereo audio wiring diagram autoradio connector wire installation schematic schema esquema de conexiones stecker konektor connecteur cable honda car radio stereo audio wiring diagram autoradio connector. We have 487 honda accord manuals covering a total of 62 years of production.

By