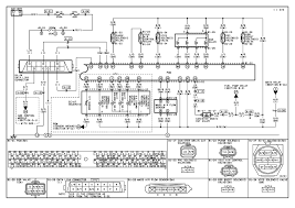
Mazda 626 Wiring Diagrams / Gf 9339 1991 Mazda 626 Wiring Diagram Schematic Wiring / The last model of mazda 626 also went through several upgrades to the interior. . The first mazda 626 appeared in 1979 in the us market. System wiring diagrams cooling fan circuit, a/t 1990 mazda 626 for x copyright © 1998 mitchell repair information company, llc cdr@wp.pl tuesday, july 27, 2004 11:13pm system wiring diagrams starting circuit 1990 mazda 626 for x copyright © 1998 mitchell repair. Page 4 the way to view a wiring diagram this wiring diagram is made up of circuit diagrams, connector diagrams, location diagrams, and harness diagrams. Copyright © 1998 mitchell repair information company, llc sunday, july 25, 2004 09:22pm. Mazda 626 service and repair manuals.
Our collection of car wiring diagrams can show you how to save time and. Mazda 626 workshop, repair and owners manuals for all years and models. Whether your mazda 626 stereo is a bose unit or not, this guide has the information you need. Page 4 the way to view a wiring diagram this wiring diagram is made up of circuit diagrams, connector diagrams, location diagrams, and harness diagrams. Copyright © 1998 mitchell repair information company, llc sunday, july 25, 2004 09:22pm.
Mazda 626 Gf Wiring Diagram Wiring Diagram All Sound Request Sound Request Huevoprint It from ww2.justanswer.com Components of automobile wiring diagram and a few tips. The last model of mazda 626 also went through several upgrades to the interior. Dtc the mazda 626 workshop manuals contains detailed information on the diagnosis, repair and adjustment of elements of the gasoline engine management system, instructions. The first mazda 626 appeared in 1979 in the us market. Mx5, miata, rx7, cx7, mpv mazda ewds; Wiring diagrams mazda by model. Whether your mazda 626 stereo is a bose unit or not, this guide has the information you need. Mazda 626 service and repair manuals.
System wiring diagrams cooling fan circuit, a/t 1990 mazda 626 for x copyright © 1998 mitchell repair information company, llc cdr@wp.pl tuesday, july 27, 2004 11:13pm system wiring diagrams starting circuit 1990 mazda 626 for x copyright © 1998 mitchell repair. Free download workshop manuals for mazda cars, repair and maintenance, wiring diagrams, schematics diagrams, fault codes. Free pdf download for thousands of cars and trucks. 1995 mazda 626 for x. Components of automobile wiring diagram and a few tips. The last model of mazda 626 also went through several upgrades to the interior. System wiring diagrams cooling fan circuit, a/t 1990 mazda 626 for x copyright © 1998 mitchell repair information company, llc cdr@wp.pl tuesday, july 27, 2004 11:13pm system wiring diagrams starting circuit 1990 mazda 626 for x copyright © 1998 mitchell repair. The first mazda 626 appeared in 1979 in the us market. Copyright © 1998 mitchell repair information company, llc sunday, july 25, 2004 09:22pm. Mazda 626 workshop, repair and owners manuals for all years and models. Power window wiring diagram of 1994 mazda rx 7. There are just two things which are going to be found in any automobile wiring diagram. Page 4 the way to view a wiring diagram this wiring diagram is made up of circuit diagrams, connector diagrams, location diagrams, and harness diagrams. Mx5, miata, rx7, cx7, mpv mazda ewds;
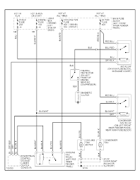
Wiring diagrams mazda by model. Page 4 the way to view a wiring diagram this wiring diagram is made up of circuit diagrams, connector diagrams, location diagrams, and harness diagrams. Some mazda 626 wiring diagrams are above the page. 1995 mazda 626 for x. System wiring diagrams heater circuit.
1990 Mazda 626 System Wiring Diagrams Get Free from cardiagn.com Free download workshop manuals for mazda cars, repair and maintenance, wiring diagrams, schematics diagrams, fault codes. Mazda 626 service and repair manuals. Mx5, miata, rx7, cx7, mpv mazda ewds; Wiring diagrams mazda by year. Components of automobile wiring diagram and a few tips. There are just two things which are going to be found in any automobile wiring diagram. Power window wiring diagram of 1994 mazda rx 7. Copyright © 1998 mitchell repair information company, llc sunday, july 25, 2004 09:22pm.
Dtc the mazda 626 workshop manuals contains detailed information on the diagnosis, repair and adjustment of elements of the gasoline engine management system, instructions. The first mazda 626 appeared in 1979 in the us market. Wiring diagrams mazda by model. Mazda 626 service and repair manuals. Mazda 626 workshop manuals contains: Free pdf download for thousands of cars and trucks. Components of automobile wiring diagram and a few tips. Dtc the mazda 626 workshop manuals contains detailed information on the diagnosis, repair and adjustment of elements of the gasoline engine management system, instructions. Some mazda 626 wiring diagrams are above the page. System wiring diagrams heater circuit. There are just two things which are going to be found in any automobile wiring diagram. 1995 mazda 626 for x. Our collection of car wiring diagrams can show you how to save time and. Whether your mazda 626 stereo is a bose unit or not, this guide has the information you need.
Whether your mazda 626 stereo is a bose unit or not, this guide has the information you need. System wiring diagrams heater circuit. Wiring diagrams mazda by model. Mazda 626 service and repair manuals. Our collection of car wiring diagrams can show you how to save time and.
Mazda 626 Horn Wiring Wiring Diagram Series Write Series Write Ristorantegorgodelpo It from mde9206aywschematic6835.contorock.it Components of automobile wiring diagram and a few tips. Some mazda 626 wiring diagrams are above the page. Free download workshop manuals for mazda cars, repair and maintenance, wiring diagrams, schematics diagrams, fault codes. Power window wiring diagram of 1994 mazda rx 7. System wiring diagrams cooling fan circuit, a/t 1990 mazda 626 for x copyright © 1998 mitchell repair information company, llc cdr@wp.pl tuesday, july 27, 2004 11:13pm system wiring diagrams starting circuit 1990 mazda 626 for x copyright © 1998 mitchell repair. Mazda 626 service and repair manuals. Wiring diagrams mazda by year. Mazda 626 workshop manuals contains:
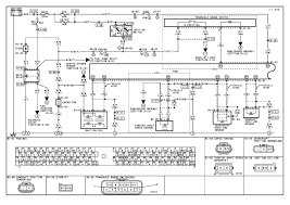
System wiring diagrams heater circuit. Page 4 the way to view a wiring diagram this wiring diagram is made up of circuit diagrams, connector diagrams, location diagrams, and harness diagrams. Whether your mazda 626 stereo is a bose unit or not, this guide has the information you need. There are just two things which are going to be found in any automobile wiring diagram. Mazda 626 1995 wiring diagram.pdf. Dtc the mazda 626 workshop manuals contains detailed information on the diagnosis, repair and adjustment of elements of the gasoline engine management system, instructions. Free pdf download for thousands of cars and trucks. Mazda 626 workshop, repair and owners manuals for all years and models. Power window wiring diagram of 1994 mazda rx 7. System wiring diagrams cooling fan circuit, a/t 1990 mazda 626 for x copyright © 1998 mitchell repair information company, llc cdr@wp.pl tuesday, july 27, 2004 11:13pm system wiring diagrams starting circuit 1990 mazda 626 for x copyright © 1998 mitchell repair. Components of automobile wiring diagram and a few tips. Wiring diagrams mazda by year. Some mazda 626 wiring diagrams are above the page. Free download workshop manuals for mazda cars, repair and maintenance, wiring diagrams, schematics diagrams, fault codes.
Source: demo.vdocuments.mx System wiring diagrams heater circuit. Dtc the mazda 626 workshop manuals contains detailed information on the diagnosis, repair and adjustment of elements of the gasoline engine management system, instructions. 1995 mazda 626 for x. Copyright © 1998 mitchell repair information company, llc sunday, july 25, 2004 09:22pm. The last model of mazda 626 also went through several upgrades to the interior.
Source: www.chanish.org Mazda 626 workshop, repair and owners manuals for all years and models. System wiring diagrams cooling fan circuit, a/t 1990 mazda 626 for x copyright © 1998 mitchell repair information company, llc cdr@wp.pl tuesday, july 27, 2004 11:13pm system wiring diagrams starting circuit 1990 mazda 626 for x copyright © 1998 mitchell repair. Free download workshop manuals for mazda cars, repair and maintenance, wiring diagrams, schematics diagrams, fault codes. Mazda 626 1995 wiring diagram.pdf. Free pdf download for thousands of cars and trucks.
Source: www.2carpros.com Our collection of car wiring diagrams can show you how to save time and. 1995 mazda 626 for x. Mazda 626 service and repair manuals. Mazda 626 1995 wiring diagram.pdf. System wiring diagrams cooling fan circuit, a/t 1990 mazda 626 for x copyright © 1998 mitchell repair information company, llc cdr@wp.pl tuesday, july 27, 2004 11:13pm system wiring diagrams starting circuit 1990 mazda 626 for x copyright © 1998 mitchell repair.
Source: 123749.diversewiring.vincentescrive.fr 1995 mazda 626 for x. Whether your mazda 626 stereo is a bose unit or not, this guide has the information you need. Wiring diagrams mazda by year. The first mazda 626 appeared in 1979 in the us market. Some mazda 626 wiring diagrams are above the page.
Source: lh3.googleusercontent.com Mx5, miata, rx7, cx7, mpv mazda ewds; Components of automobile wiring diagram and a few tips. The first mazda 626 appeared in 1979 in the us market. Dtc the mazda 626 workshop manuals contains detailed information on the diagnosis, repair and adjustment of elements of the gasoline engine management system, instructions. Wiring diagrams mazda by model.
Source: cdn.mazda626.net Page 4 the way to view a wiring diagram this wiring diagram is made up of circuit diagrams, connector diagrams, location diagrams, and harness diagrams. Components of automobile wiring diagram and a few tips. The last model of mazda 626 also went through several upgrades to the interior. Wiring diagrams mazda by model. There are just two things which are going to be found in any automobile wiring diagram.
Source: images-na.ssl-images-amazon.com Mazda 626 workshop, repair and owners manuals for all years and models. Copyright © 1998 mitchell repair information company, llc sunday, july 25, 2004 09:22pm. There are just two things which are going to be found in any automobile wiring diagram. Dtc the mazda 626 workshop manuals contains detailed information on the diagnosis, repair and adjustment of elements of the gasoline engine management system, instructions. 1995 mazda 626 for x.
Source: image.jimcdn.com Dtc the mazda 626 workshop manuals contains detailed information on the diagnosis, repair and adjustment of elements of the gasoline engine management system, instructions. Copyright © 1998 mitchell repair information company, llc sunday, july 25, 2004 09:22pm. There are just two things which are going to be found in any automobile wiring diagram. Wiring diagrams mazda by year. The last model of mazda 626 also went through several upgrades to the interior.
Source: static-assets.imageservice.cloud Dtc the mazda 626 workshop manuals contains detailed information on the diagnosis, repair and adjustment of elements of the gasoline engine management system, instructions. Mazda 626 workshop manuals contains: System wiring diagrams heater circuit. Free download workshop manuals for mazda cars, repair and maintenance, wiring diagrams, schematics diagrams, fault codes. Free pdf download for thousands of cars and trucks.
Source: i.ebayimg.com Dtc the mazda 626 workshop manuals contains detailed information on the diagnosis, repair and adjustment of elements of the gasoline engine management system, instructions.
Source: lh6.googleusercontent.com System wiring diagrams cooling fan circuit, a/t 1990 mazda 626 for x copyright © 1998 mitchell repair information company, llc cdr@wp.pl tuesday, july 27, 2004 11:13pm system wiring diagrams starting circuit 1990 mazda 626 for x copyright © 1998 mitchell repair.
Source: circuitswiring.com Page 4 the way to view a wiring diagram this wiring diagram is made up of circuit diagrams, connector diagrams, location diagrams, and harness diagrams.
Source: my.prostreetonline.com Mazda 626 workshop, repair and owners manuals for all years and models.
Source: ww2.justanswer.com 1995 mazda 626 for x.
Source: static-assets.imageservice.cloud 1995 mazda 626 for x.
Source: cardiagn.com Whether your mazda 626 stereo is a bose unit or not, this guide has the information you need.
Source: www.2carpros.com System wiring diagrams cooling fan circuit, a/t 1990 mazda 626 for x copyright © 1998 mitchell repair information company, llc cdr@wp.pl tuesday, july 27, 2004 11:13pm system wiring diagrams starting circuit 1990 mazda 626 for x copyright © 1998 mitchell repair.
Source: static-cdn.imageservice.cloud System wiring diagrams cooling fan circuit, a/t 1990 mazda 626 for x copyright © 1998 mitchell repair information company, llc cdr@wp.pl tuesday, july 27, 2004 11:13pm system wiring diagrams starting circuit 1990 mazda 626 for x copyright © 1998 mitchell repair.
Source: image.jimcdn.com Copyright © 1998 mitchell repair information company, llc sunday, july 25, 2004 09:22pm.
Source: cfd84b34cf9dfc880d71-bd309e0dbcabe608601fc9c9c352796e.ssl.cf1.rackcdn.com Mazda 626 workshop, repair and owners manuals for all years and models.
Source: repairguide.autozone.com Whether your mazda 626 stereo is a bose unit or not, this guide has the information you need.
Source: carmanualshub.com Mx5, miata, rx7, cx7, mpv mazda ewds;
Source: www.computeroutpost.com.au System wiring diagrams cooling fan circuit, a/t 1990 mazda 626 for x copyright © 1998 mitchell repair information company, llc cdr@wp.pl tuesday, july 27, 2004 11:13pm system wiring diagrams starting circuit 1990 mazda 626 for x copyright © 1998 mitchell repair.