Mk3 Jetta Coolant Schematics - Volkswagen Golf Service Repair Manual Schematic Diagram Coolant Hoses Golf Gte Coolant Circuit With Auxiliary Heater - Vw golf 5 how to change steering wheel and change steering 1997 volkswagen jetta thermostat location.. I️ need to get some coolant today so i can drive the car tomorrow and hopefully get the issue resolved. Although vw says it's a lifetime fill, a reasonable suggested change interval is about 100,000 miles or as needed, depending on use. I drained the radiator, then closed the valve, filled it with some water, ran the car for about 5 minutes, and then. Может пригодится кому для (oo__w__oo) на jetta v. Open the hood how to pop the hood and prop it open.

Jetta and sportwagen quick reference specification book • april 2009 3. Vw golf 5 how to change steering wheel and change steering 1997 volkswagen jetta thermostat location. Find reservoir locate the coolant reservoir and clean it. Может пригодится кому для (oo__w__oo) на jetta v. How to flush the coolant antifreeze in a 2004 volkswagen jetta gl 2.0l 4 cyl.

Images Schematics Javalins S Blog
Images Schematics Javalins S Blog from javalins.files.wordpress.com
Может пригодится кому для (oo__w__oo) на jetta v. I had the pleasure of drawing up this lh personal illustration for @mk3_vladi of his vw mk3 jetta. I decided to write up the basics on how i was able to manually control the coolant gps (only on manual trans mk4) 03 jetta wagon premium with 6 speed alh swap, 14 jsw. Vw golf iii gti 20 jahre by markuz. Overview how to determine cooling system type. Coolant for mk4 jetta 2.0. How to flush the coolant on a mk3 volkswagen jetta or passat tdi with g12 coolant. While replacing the water pump on my '01 jetta 2.0l last year, i noticed how clean the cooling system was after 140,000 miles (looked brand new).

Open the hood how to pop the hood and prop it open.

I got the p0118 code and suspected it was the coolant temp sensor before even trying to do a scan. I had the pleasure of drawing up this lh personal illustration for @mk3_vladi of his vw mk3 jetta. 495 x 300 jpeg 72 кб. 03 jetta relay diagram or under dash picture needed. How to install short throw shifter vw jetta, golf & beetle mk4. According to the bentley manual i need to drain the coolant and remove the heater core to get at the ac drier mounted inside the heater core box. Schematics,datasheets,diagrams,repairs,schema,service manuals,eeprom bins,pcb as well as service mode entry, make to model and chassis correspondence and more. Vwusa.com vw mk5 jetta model introduction ssp 891403. How to flush the coolant on a mk3 volkswagen jetta or passat tdi with g12 coolant. While replacing the water pump on my '01 jetta 2.0l last year, i noticed how clean the cooling system was after 140,000 miles (looked brand new). That car was a 2003 gti, so yes it will be in the same spot for all mk4 1.8t jetta's, golf's and gti's. Hi, the coolant gp's are a mystery, they only seem to come on when it is freezing cold, below 20f in my past experience. Want to give your mk3 jetta a new look or give it some extra power than you came to the right place.

495 x 300 jpeg 72 кб. Schematics,datasheets,diagrams,repairs,schema,service manuals,eeprom bins,pcb as well as service mode entry, make to model and chassis correspondence and more. Find reservoir locate the coolant reservoir and clean it. I got the p0118 code and suspected it was the coolant temp sensor before even trying to do a scan. Open the hood how to pop the hood and prop it open.

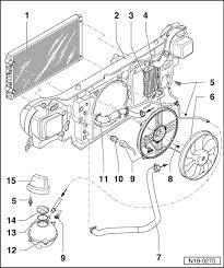
Volkswagen Workshop Manuals Golf Mk3 Power Unit 4 Cyl Injection Engine Mechanics 1 4 And 1 6 L Engine Engine Cooling Removing And Installing Parts Of Cooling System Parts Of Cooling System Engine Side
Volkswagen Workshop Manuals Golf Mk3 Power Unit 4 Cyl Injection Engine Mechanics 1 4 And 1 6 L Engine Engine Cooling Removing And Installing Parts Of Cooling System Parts Of Cooling System Engine Side from workshop-manuals.com
Jetta and sportwagen quick reference specification book • april 2009 3. Here at modded euros we have a variety of aftermarket mk3 volkswagen jetta parts to take your car to the next level of performance. Hi, the coolant gp's are a mystery, they only seem to come on when it is freezing cold, below 20f in my past experience. Orange color (or pinkish oranage) could indicate the original vw g12 coolant. Loosen your coolant reservoir cap to release any built up pressure, then tighten the cap back up. Schematics,datasheets,diagrams,repairs,schema,service manuals,eeprom bins,pcb as well as service mode entry, make to model and chassis correspondence and more. That car was a 2003 gti, so yes it will be in the same spot for all mk4 1.8t jetta's, golf's and gti's. Want to give your mk3 jetta a new look or give it some extra power than you came to the right place.

Open the hood how to pop the hood and prop it open.

The coolant i added was mixed at a ratio of 60/40, however, when i added water to do the flush, i'm worried that there would have been water only sitting in just did a radiator flush on my jetta. According to the bentley manual i need to drain the coolant and remove the heater core to get at the ac drier mounted inside the heater core box. Replacing the coolant hose flange for a 1998 jetta gls 2.0 (part 1). Orange color (or pinkish oranage) could indicate the original vw g12 coolant. Want to give your mk3 jetta a new look or give it some extra power than you came to the right place. Ver más ideas sobre jetta mk3, jetta tunning, autos vw. 03 jetta relay diagram or under dash picture needed. Coolant for mk4 jetta 2.0. Vw golf 5 how to change steering wheel and change steering 1997 volkswagen jetta thermostat location. I had the pleasure of drawing up this lh personal illustration for @mk3_vladi of his vw mk3 jetta. 495 x 300 jpeg 72 кб. Jetta and sportwagen quick reference specification book • april 2009 3. How to install short throw shifter vw jetta, golf & beetle mk4.

03 jetta relay diagram or under dash picture needed. That car was a 2003 gti, so yes it will be in the same spot for all mk4 1.8t jetta's, golf's and gti's. Although vw says it's a lifetime fill, a reasonable suggested change interval is about 100,000 miles or as needed, depending on use. Hi, the coolant gp's are a mystery, they only seem to come on when it is freezing cold, below 20f in my past experience. View and download volkswagen jetta 2005 workshop manual online.

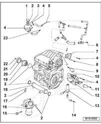
Diy Replacing Driver Side Coolant Flange On A Mkiv Jetta 8v 2 O Vw Vortex Volkswagen Forum
Diy Replacing Driver Side Coolant Flange On A Mkiv Jetta 8v 2 O Vw Vortex Volkswagen Forum from bigskyeuro.com
How to install short throw shifter vw jetta, golf & beetle mk4. , automatic transmission 01m, repair group 37 ignition lock cable, volkswagen jetta, golf, gt. Engine coolant is the same as engine antifreeze. Radiator coolant expansion tank + cap for vw golf mk2 mk3 jetta passat polo new (fits: 2001 volkswagen jetta engine coolant outlet flange. Coolant for mk4 jetta 2.0. How to flush the coolant on a mk3 volkswagen jetta or passat tdi with g12 coolant. I got the p0118 code and suspected it was the coolant temp sensor before even trying to do a scan.

Vw golf 5 how to change steering wheel and change steering 1997 volkswagen jetta thermostat location.

495 x 300 jpeg 72 кб. Engine coolant is the same as engine antifreeze. Vwusa.com vw mk5 jetta model introduction ssp 891403. According to the bentley manual i need to drain the coolant and remove the heater core to get at the ac drier mounted inside the heater core box. I decided to write up the basics on how i was able to manually control the coolant gps (only on manual trans mk4) 03 jetta wagon premium with 6 speed alh swap, 14 jsw. 03 jetta relay diagram or under dash picture needed. Electronics service manual exchange : Loosen your coolant reservoir cap to release any built up pressure, then tighten the cap back up. Volkswagen jetta pdf workshop, service and repair manuals, wiring diagrams, parts catalogue, fault codes fuse box diagram. How to flush the coolant on a mk3 volkswagen jetta or passat tdi with g12 coolant. 23 regularsearch) ask for a document. Coolant for mk4 jetta 2.0. Orange color (or pinkish oranage) could indicate the original vw g12 coolant.

By